Process Automation Consulting Enterprises Inc. - P.A.C.E. Inc.
Customer Design
Microcontroller Design PCB Layout
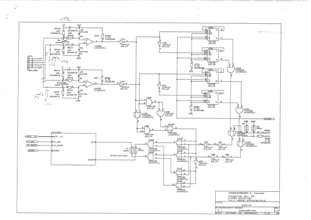
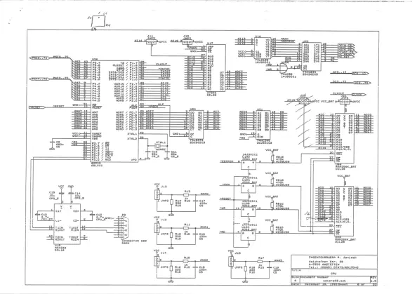
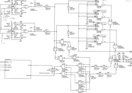
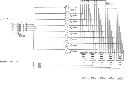
Your Problems and new Ideas are our challenge to create new designs & developments. Throughout the years we have done many different customer HW designs in a wide variation of application fields. To give you some examples: - Interface Relay & communication - Machine controls - Access control & security - Battery operated Miniature PC in the early 90’s (no laptops at this time) - Multiprocessor control system that was able to have up to 16 processors working together for real time operations in complex robot systems - Data collection for long term trends with unique and open interface structure - the list is endless and so are the possibilities...
Home Home
About About
Products & Services Products & Services
  • Maintenance Support
  • System Upgrades
  • Software & Program Development
  • Hardware Design
  • Latest Projects
Contact Contact
Process Automation Consulting Enterprises Inc. - P.A.C.E. Inc.
Customer Design
Microcontroller Design PCB Layout
Your Problems and new Ideas are our challenge to create new designs & developments. Throughout the years we have done many different customer HW designs in a wide variation of application fields. To give you some examples: - Interface Relay & communication - Machine controls - Access control & security - Battery operated Miniature PC in the early 90’s (no laptops at this time) - Multiprocessor control system that was able to have up to 16 processors working together for real time operations in complex robot systems - Data collection for long term trends with unique and open interface structure - the list is endless and so are the possibilities...

  • Home
  • About Us
  • Services
    • Maintenance Support
    • System Upgrades
    • Software & Program Development
    • Hardware Design
    • Latest Projects
  • Contact